
Design of devices, PCBs, and software

Research and development services in EU projects (R&D)

Serial and prototype production of PCBs and mechanics – in cooperation with our trusted subcontractors

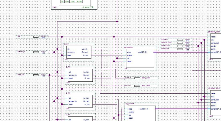
FPGA- and SOM-based projects

Algorithm design










Programming in VHDL and Verilog allows for the creation of advanced logic circuits and systems.

